手機:+86-158-3607-3235
電話:+86-0373-2878260
郵箱:1270722304@qq.com
地址:河南省新鄉市衛濱區八裏營工業區
MVE振動電機

一、MVE系列振動電機的應用:
MVE系列振動電機廣泛應用于水電建設、火力發電、建築、建材、化工、采礦、煤炭、冶金、輕工等工業部門。振動電機除了可以應用與一般振動機械外,還可以組合多種振動形式。如:平旋型,渦旋型,搖動振動型,組合直線型,組合長橢圓型,複合雙頻型,複合雙幅型等。由這些振動形式可以産一些過去所沒有的新型振動機械。
二、MVE系列振動電機的特點:
1.維護保養簡便。
2.機體強度大,噪音低。
3.激振力與出力配合适當,激振力大。
4.可按照不同的用途選擇振動頻率和振幅。
5.規格齊全,能滿足各類振動機械的工作需要。
6.可根據振動電機的安裝方式改變激振力的方向。
7.隻須調整偏心塊的夾角,就可無級調整激振力。
8.全封閉結構,可在任何無防爆要求的粉塵條件下工作。
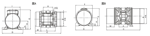
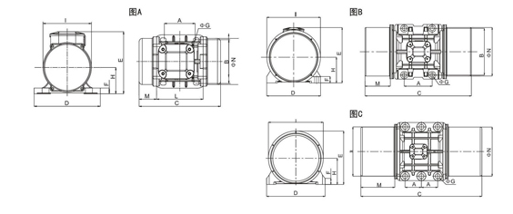
三、MVE系列振動電機技術參數:
額定電壓: 380V(三相)220V(單相)(也可提供230/400V,230/460V)
直流電壓: 12V 24V 220V
額定頻率: 50HZ(也可提供60HZ)
絕緣等級: 主級H級,接線腔F級
防護等級: IP65
工作制: 連續(S1)
激振力調整範圍: 0—最大
激振力: 單相 0—800kg
三相 0---13000kg





四MVE振動電機訂貨須知:
(1) 寫明所需産品的規格、功率、激振力、極數、數量。
(2) 對面漆有無特殊要求。
(3) 對電機引出線有無物殊要求。
(4)可定制特殊參數的振動電機,如特殊電壓、特殊安裝尺寸等。
聯系我們
![]() |
YZU振動電機廠家地址:河南省新鄉市衛濱區八裏營工業園 YZU振動電機價格咨詢電話:15836073235 0373-2878260 歡迎掃描二維碼關注德誠電機手機網站 |










